- PRODUCTS -
Name:JRF Series Coal Combustion Hot Air Furnace
Details
Working Principle
The furnace combines the combustion with the heat exchange, using the latest indirect heating technology that the heat exchange is taken place at the position of the high temperature in the furnace. The smoke and the air go into the dierent channels, without any pollution for the heating. The heat efciency rate is high (up to 60-75%).The temperature increase is fast. The furnace is small in s ize, easy in the installation, reliable in the operation and low in the price(making a comparison with one ton boile r, the price of this system is only half price of the heating system for the boiler).
Characteristics
The furnace uses the high temperature resistant method so that its life is much longer than the life of the pipe arrangement hot a ir furnace. The furnace uses the smoke and air longitudinal splashing heat radiation sheets and the negative pressures smoke elimination mode. There is no dust collected on the heat exchange position. There is no need to carry out the cleaning. The heat feature is stable. V arious coal and wood can be used as the fuel. The furnace is equipped with the air leading device and the combustion is complete. All the technical and economic indexes of the furnace have reached the advanced level at home.
Material to be dried
The furnace is the versatile hot air equipment. It is used with other equipment for drying various materials. The furnace is widely used for the heating and moisture removing for the grain, s eed,feed, fruit, de-watering vegetable. mushroom, edible fungus, tremella, tea, tobacco leaf, other farming products, food, medicine, chemical raw material ,light and heavy industry products.
Technical Parameter
| Name\Spec | JRF-15 | JRF-20 | JRF-30 | JRF-40 | JRF-60 | JRF-80 | JRF-100 |
| Diametral of interior barrel | 760 | 760 | 1170 | 1170 | 1470 | 1670 | 1870 |
| Diametral of exterior barrel | 1280 | 1280 | 1840 | 1840 | 2200 | 2460 | 2700 |
| Total height | 3500 | 3500 | 4260 | 4760 | 4810 | 5110 | 5310 |
| Total weight of equipment | 3.15T | 3.65T | 6.8T | 7.5T | 9.8T | 11.7T | 13.5T |
| Diameter of hot air outlet opening | 300 | 300 | 500 | 500 | 500 | 600 | 600 |
| Height of hot air outlet opening | 1585 | 1585 | 1670 | 1670 | 1670 | 1770 | 1770 |
| Diameter of flue outlet opening | 250 | 250 | 250 | 250 | 250 | 300 | 320 |
| Height of flue outlet opening | 2050 | 2050 | 2220 | 2220 | 2220 | 2385 | 2385 |
| Specification of angle head | XZD/G Φ578 | XZD/G Φ810 | |||||
| coal consumption per hour | 43kg | 57kg | 85kg | 115kg | 170kg | 230kg | 286kg |
| combustion value of coal | 5000kcal/h | ||||||
| Heat efficiency | 70-78% | 75-80% | |||||
| Suction fan flue | Y5-47-3.15C -1.5KW |
Y5-47-4C -2.2KW |
Y5-47-4C -3KW |
Y5-47-4C -4KW |
Y5-47-5C -7.5KW |
Y5-47-5C -7.5KW | |
Cautions
◎The environmental datum temperature standard takes 18 ±2℃. The thermal value for the coal takes 5000kca/kg for the calculation.
◎The hot air temperature in the table is decided according to the air output. The maximum hot air temperature for JRF4 spec hot air furnace can be up to more than 200 ℃ . The maximum hot air temperature for JRF5 and JRF6 specs can be up to more than 300 ℃ (for the special manufacturing furnace, the maximum temperature can be up to more than 500 ℃). The temperature can be adjusted according to the demand.
◎Hot air furnace chimney height: for JRF 4 spec, it is 3-5m; and for JRF5 and JRF6 specs, they are 5-8m.
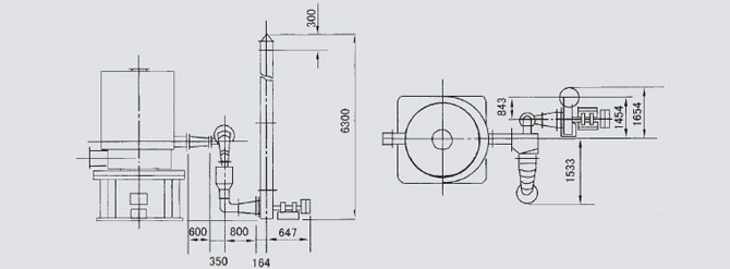
◎For the overall dimension corresponding positions in the above table, please see the diagram for installing the hot air furnace. The re-resistant layer on the internal wall at the low section of the furnace hearth begins at the furnace wall. Its height: for
◎JRF 4-4, it is 0.5; The re-resistant layer can be installed on site .
◎JRF6 spec is the chain-furnace arrangement-spec combustion device.













